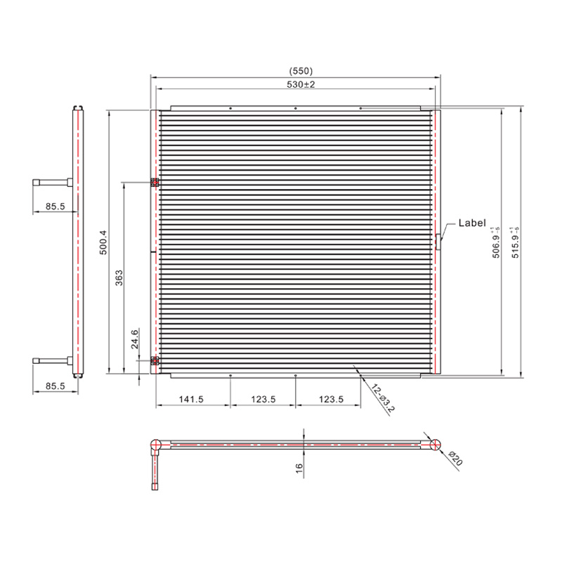
| 型号 | 芯体长度 | 芯体高度 | 扁管厚度 | 翅片片距 | 翅片高度 | 集流管外径 |
| SC-1300 | 550[mm] | 515.9[mm] | 16[mm] | 1.1[mm] | 8.1[mm] | 20[mm] |
| 21.65[in] | 20.3[in] | 0.63[in] | 23[FPI] | 0.32[in] | 0.79[in] |
| 型号 | 扁管高度 | 扁管数量 | 回路 | 内部容积 | 进口内径 | 出口内径 |
| SC-1300 | 1.3[mm] | 52 | 28/24 | ≈0.45[L] | 9.52[mm] | 7.94[mm] |
| 0.05[in] | ≈27.17[in3] | 3/8[in] | 5/16[in] |
边板安装
铝制微通道换热器在高温下存在热胀冷缩现象,支架安装等必须允许一定的公差范围。
性能参数
| 风速 | 换热性能 [KW/Btu/h×1000] | ||||||||
| [m/s] | [ftlmin] | R410A | R134a | ||||||
| △ =10K △ =18°F |
△ =15K △ =27°F |
△ =2K △ =36°F |
△ =25K △ =45°F |
△ =10K △ =18°F |
△ =15K △ =27°F |
△ =2K △ =36°F |
△ =25K △ =45°F |
||
| 1 | 197 | 2.68/9.15 | 4.14/14.1 | 5.59/19.08 | 7.07/24.13 | 2.52/8.60 | 3.94/13.4 | 5.32/18.16 | 6.69/22.83 |
| 1.5 | 295 | 3.74/12.76 | 5.79/19.7 | 7.82/26.69 | 9.88/33.72 | 3.43/11.71 | 5.44/18.5 | 7.35/25.09 | 9.27/31.64 |
| 2 | 394 | 4.68/15.97 | 7.23/24.6 | 9.79/33.41 | 12.38/42.2 | 4.34/14.81 | 6.75/23.0 | 9.12/31.13 | 11.45/39.0 |
| 2.5 | 492 | 5.53/18.87 | 8.53/29.1 | 11.56/39.4 | 14.63/49.9 | 5.07/17.30 | 7.87/26.8 | 10.6/36.18 | 13.33/45.4 |
| 3 | 591 | 6.3/21.50 | 9.72/33.1 | 13.16/44.9 | 16.67/56.8 | 5.72/19.52 | 8.88/30.3 | 11.94/40.7 | 15.03/51.3 |
| 风速 | 换热性能 [KW/Btu/h×1000] | ||||||||
| [m/s] | [ftlmin] | R404A | R407C | ||||||
| △ =10K △ =18°F |
△ =15K △ =27°F |
△ =2K △ =36°F |
△ =25K △ =45°F |
△ =10K △ =18°F |
△ =15K △ =27°F |
△ =2K △ =36°F |
△ =25K △ =45°F |
||
| 1 | 197 | 2.69/9.18 | 4.15/14.1 | 5.6/19.11 | 7.06/24.10 | 1.71/5.84 | 3.32/11.3 | 4.81/16.42 | 6.27/21.40 |
| 1.5 | 295 | 3.74/12.76 | 5.76/19.6 | 7.78/26.55 | 9.82/33.52 | 2.32/7.92 | 4.62/15.7 | 6.69/22.83 | 8.72/29.76 |
| 2 | 394 | 4.65/15.87 | 7.17/24.4 | 9.68/33.04 | 12.24/41.7 | 2.83/9.66 | 5.76/19.6 | 8.35/28.50 | 10.85/37.03 |
| 2.5 | 492 | 5.46/18.63 | 8.4/28.67 | 11.36/38.7 | 14.37/49.0 | 3.27/11.1 | 6.77/23.1 | 9.78/33.38 | 12.77/43.58 |
| 3 | 591 | 6.19/21.13 | 9.52/32.4 | 12.88/43.9 | 16.29/55.6 | 3.88/13.2 | 7.68/26.2 | 11.1/37.88 | 14.49/49.45 |
空气侧压降数据
| 风速 | 压降 | 风量 | |||
| [m/s] | [ft/min] | [Pa] |
[inch H2O] | [m3/h] |
[cfm] |
| 1 | 197 | 9.22 |
0.04 | 948.08 |
557.7 |
| 1.5 | 295 | 14.51 |
0.06 | 1422.10 |
836.5 |
| 2 | 394 | 22.09 |
0.09 | 1896.17 |
1115.4 |
| 2.5 | 492 | 29.50 |
0.12 | 2370.21 |
1394.2 |
| 3 | 591 | 35.37 |
0.14 | 2844.25 |
1673.1 |


中文简体


查看更多>>
查看更多>>
查看更多>>
查看更多>>
查看更多>>
查看更多>>
查看更多>>
查看更多>>
查看更多>>
查看更多>>
查看更多>>





